第一节 引言
在犹大被掳至巴比伦以前,十二位小先知中,有六位在南国侍奉(参图表25.1)。本章就是根据先知们工作的先后而定下综览他们那六卷书的次序。图表27.1说明了六位先知所在之世犹大执政的君主是谁。[1]图表27.1中的灰色格子代表昏庸君主,白色则代表正直贤君。先知就职以后,为国家带来清廉之政,还是昏庸之治?或是没有一定的准则?读的时候,请注意图表1.4旧约历史的整个背景。
读先知书时,请参考图表27.1来了解各卷书的背景。
历史离不开地理,小先知书既有历史背景,也必然会提及当时的地理环境。地图27.1就是犹大小先知书的地理概况。请先了解各地的位置,然后才综览全书。


第二节 俄巴底亚书:倾倒的石头,长存的国度
神差派先知往那些在历史上曾经与犹大交恶的国家去传道。俄巴底亚被神差往以东,即位于犹大东南的敌国(参地图27.1)。外邦以东人以为有高山峻岭为保障,可免于敌国的侵略,所以对以色列的神不闻不问。
如果以东的城象征狂傲自信,这城就是西拉(希伯来文是Sela,参王下14:7)。这地有红石峡谷,位于死海以南八十公里,现今是旅游胜地。俄巴底亚写以下的话时,心中所指的可能就是西拉:“住在山穴(希伯来文是Sela;希腊文是Petra〔彼特拉〕)[2]中……你因狂傲自欺”(第3节,参钦定本)。
一、俄巴底亚书背景
1. 俄巴底亚
圣经中共有十三个俄巴底亚,这名字在圣经里也出现过二十次;但写先知书的“俄巴底亚”只出现过一次,就是本书的第1节。他住在犹大,大约是在约兰、亚哈谢、亚他利雅及约亚施为王的世代(图表27.1)。[3]俄巴底亚的意思是“耶和华的仆人”,或是“敬拜耶和华的人”。
2. 俄巴底亚书
(1)写作日期
俄巴底亚书的写作日期有几种可能。如果我们知道俄巴底亚在11-14节说“耶路撒冷遭掳掠”所指的是哪次掳掠,我们就可以肯定这卷书的写作日期了(这卷书写于被掳掠之后)。请读11-14节。旧约历史共记载耶路撒冷四次被侵略:
① 埃及王示撒(公元前925年;参王上14:25-26;代下12章)
② 非利士人和阿拉伯人(约兰王在位,参图表27.1;代下21:16-17,21:8-10;摩1:6、11-12)
③ 以色列王约阿施(约为公元前790年;参王下14章;代下25章)
④ 巴比伦王尼布甲尼撒(公元前586年;参王下24-25章;诗137:7)
请读上列四组经文。我们采取的立场是“俄巴底亚书11-14节所指的是非利士与阿拉伯人的侵略(即第二次入侵)”。[4]根据上列事件,俄巴底亚书写于公元前840至公元前825年之间。
(2)内容与文体
俄巴底亚书是旧约圣经最短的一卷。这卷书文简意赅,笔法活泼有力,多彩多姿。书中充满扣人心弦的对比。先知书的起头多是斥责罪恶,宣告惩罚;而书末则是振奋人心的弥赛亚预言。俄巴底亚书就是一部浓缩了的典型先知书。这卷书的哀音是以东在灵性上已经到了“万劫不复”的地步,再没有得救的希望了。一位作家说:“以色列的邻国中,只有以东没有得着神怜悯的应许。”[5]不是神没有怜悯,而是他们早已经轻藐拒绝神的怜悯。
(3)历史背景
由于这卷书以以东为主线,为使读者易于明白预言的背景,故把以东的历史大事分列如下(请翻阅有关经文)。
①为以扫的后裔(参创25:19-34)。
② 聚居西珥山,位于盐海和亚加巴湾之间、亚拉巴之东(参创36章;参地图27.1)。
③ 以色列人出埃及时,要求以东人容他们过境,但他们不允许(参民20:14-21)。
④ 两国的对敌始于双生子雅各和以扫(参创27章),一直延至多个世代,以色列(雅各)和以东(以扫)仍继续相争。参阅这卷书有关掳掠耶路撒冷的经文,再参撒母耳记下8章14节、列王纪下14章1-7节和历代志下28章17节。
⑤ 以东一直被外国势力所统辖,基督来临之前已经溃不成国。公元70年(罗马人毁耶路撒冷),终于在历史上消声匿迹。
二、俄巴底亚书综览
请一口气读完俄巴底亚书全卷21节。尽可能开声诵读。你对这卷书的印象是什么?试阐明这卷书的主要用意。
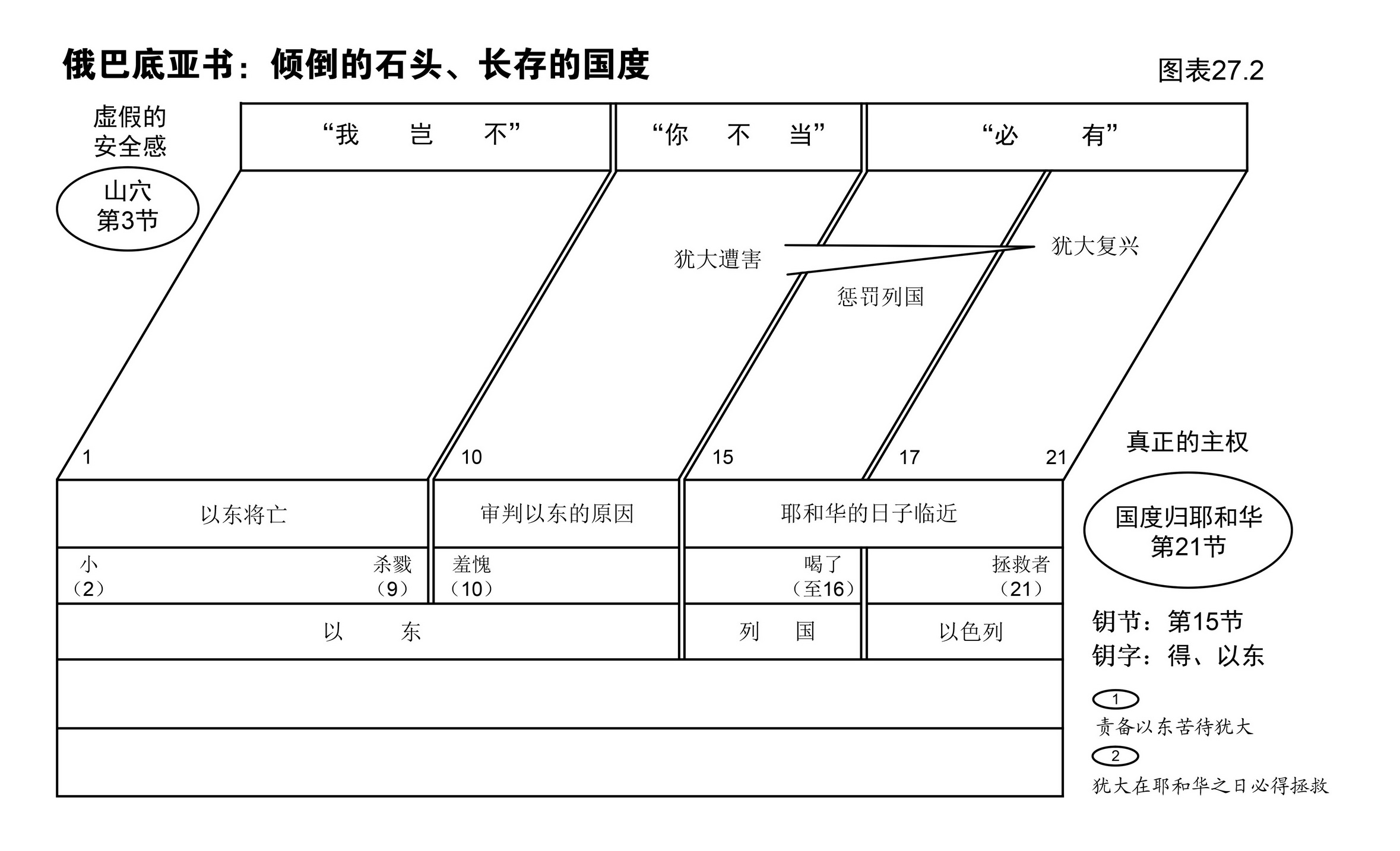
图表27.2是俄巴底亚书的结构。硏读图表27.2时,请参照圣经经文并注意下列几点。.
① 本卷书主要分成三部分:1-9节,10-14节,15-21节。注意,图表最上的三个不同时态。(在英文圣经里,第一段的第2和7节是过去时式;如果用未来时态代替,则更合适了。)[6]
② 根据大纲提示,以东在这卷书担当什么角色?请参照圣经经文。
③ 犹大在这卷书扮演什么角色?(第20节所说的以色列并不单指北国,而是全体选民。图表中的以色列也是一样。)
④ 本卷书哪些经文令人感到振奋?
⑤ 请比较俄巴底亚书的引言和结语,并了解二者与图表27.2中的标题有何关系。
⑥ 留意大纲里引述经文的小字(2、9、10、16、21节),并请读这几节经文。
⑦ 注意图表27.2中的钥字钥节,并请加上你从经文中找出的钥字。

三、俄巴底亚书应用
① 今日的人怎样犯上骄傲、不依靠神的罪?
② 根据圣经的教训,欺压神选民的国将会受到什么报应?创世记12章3节对于现今还有效吗?到末时还有效吗?
③ 公义至终会得胜吗?这是历世历代以来人类共有的问题;俄巴底亚书对这个问题有没有提供答案?
④ 神的“慈爱永远长存”(诗106篇)。有人认为这个真理与永刑是互相矛盾的,为什么?
⑤ 报应之律是永世不变的。请比较以下的经文:“你怎样行,他也必照样向你行。”(俄15节)
(a)“你们用什么量器量给人,也必用什么量器量给你们。”(太7:2下)
(b)“人种的是什么,收的也是什么。”(加6:7)
四、选读书目
1. 中文书籍
史祈生:《先知书的作者》(宣道出版社代理)
Albright, W. F., et al:《圣经考释大全:旧约论丛》(基督教文艺出版社)
Baxter, J. S.:《圣经硏究》(种籽出版社)
Cole, Alan:《圣经探索——小先知书注释》(证道出版社)
Davidson, F., et al:《证主21世纪圣经新释》(证道出版社)
Freeman, H. E.:《旧约先知书》(中华福音神学院)
2. 英文书籍
(1)导论
Archer, Gleason L. A Survey of Old Testament Introduction, pp. 287-91.(中文译本为《旧约概论》,种籽出版社。)
Ellison, H. L. The Old Testament Prophets, pp. 95-97.
Freeman, Hobart E. An Introduction to the Old Testament Prophets, pp. 139-44.(中文译本为《旧约先知书》,中华福音神学院。)
Gaebelein, Frank E. Four Minor Prophets, pp. 11-53.
Young, Edward J. Introduction to the Old Testament, pp. 252-53.(中文译本为《旧约导论》,道声出版社。)
(2)注释
Exell, Joseph S. Obadiah, Pulpit Commentary, vol. 14.
Kleinert, Paul. “Obadiah.” in Lange’s Commentary on the Holy Scriptures.
Livingston, G. Herbert. “Obadiah.” in The Wycliffe Bible Commentary.(中文译本为《威克里夫圣经注释》,种籽出版社。)
Robinson, D. W. B. “Obadiah” in The New Bible Commentary.(中文译本为《证主21世纪圣经新释》,证道出版社。)
第三节 约珥书:耶和华的日子
先知约珥的信息聚焦于大而可畏的“耶和华的日子”。约珥书分三章,整卷书呈现出一个明确、坚定的世界历史观,这世界历史观以基督为中心,并肯定以色列国在末世事件中的重要地位。
一、约珥书背景
R. A. 斯图尔特(R. A. Stewart)说:“约珥书是一卷最能发人深省的旧约书卷。”[7]我们现在看看它的写作背景。(在讨论其背景前,请速读约珥书一遍。)
1. 约珥
约珥的生平不详。根据这书1章1节,约珥(意思是“耶和华是神”)是毗土珥(意思是“信服神”)的儿子。圣经只有这里提到毗土珥。“约珥”这个名字在旧约圣经里十分普遍。圣经中约有十二个同名的人。
约珥属于犹大南国,可能就住在耶路撒冷。当时是约阿施作王(参图表27.1)。有人认为在神呼召他作先知之前,他是一位祭司。[8]约珥紧随犹大先知俄巴底亚之后出任先知。
2. 约珥书
(1)写作日期
如果约珥与约阿施王同时期,那么在写书的众先知中,约珥算是相当早期的一位。约珥书约写于公元前820年(参图表27.1)。有些圣经学者则认为约珥是被掳巴比伦以后的人物(公元前586年)。[9]本章采用他是早期先知之说。
(2)背景
① 政治、宗教。约珥在国中承担先知职事时,约阿施作犹大王。[10]约阿施七岁登位,在位四十年;他早年的教师和监护人是虔敬的大祭司耶何耶大。[11]耶何耶大在世之日,约阿施可算是贤明之君(参王下12:2)。耶何耶大死后,约阿施拜偶像,甚至杀死耶何耶大敬虔的儿子(参代下24:15-25)。约珥写这卷书时,约阿施大概还是个孩童,受教于耶何耶大。也许因为这个原因,约珥书没有像大部分的先知一样长篇大论地斥责国人所犯的罪。
约阿施在位时,犹大依然受到外敌侵略。列王纪下12章17-19节和历代志下24章23-25节都记述在约阿施在位末年,亚兰人来攻。
② 经济。约珥执笔成书时,犹大正遭受严重的蝗灾与旱灾。他一下笔,就问年老的人说:“在你们的日子,或你们列祖的日子,曾有这样的事吗?”(1:2)他指的是蝗灾,接着他说:
剪虫剩下的,蝗虫来吃;蝗虫剩下的,蝻子来吃;蝻子剩下的,蚂蚱来吃(1:4)。
只有见过蝗灾的人才会明白它是如何可怕,把它用来比喻“耶和华大而可畏的日子”是最贴切不过的。
(3)文体
约珥书文笔流畅生动,是旧约圣经里上乘的文学作品。
(4)目的
约珥的预言有三个主要目的:
① 言犹大因罪而引致惩罚;
② 劝勉犹大回转归向耶和华;
③ 使所有人都知道,世界历史达至巅峰,就是耶和华的日子临到,那时公义的准绳必要伸张。
(5)耶和华的日子
约珥书共五次提到“耶和华的日子”,这是指末时,即新约作者提到的“这日”,指的仍是未来,就如帖撒罗尼迦后书2章2节、彼得后书3章10节所指的。这句话在旧约圣经出现过三十多次,例如以赛亚书2章12节,13章6、9节;约珥书1章15节;阿摩司书5章18节;以西结书13章5节,30章3节;西番雅书1章7、14节。请翻阅这些经文,留意它们对这“日”的描写,通常离不开审判和征讨罪人;在剪除罪人以后,义人才可作王。到了那日,神惩罚不信的人,圣徒与主一同得胜。(例如哈米吉多顿大战后,成立千禧年国度,也是“耶和华的日子”中要成就的事情。所以我们应当注意,旧约圣经对以色列人的许多应许,将会在千禧年中应验。故此千禧年是特别为以色列而设的。)我们认为约珥对“耶和华的日子”的预言是关乎末日的弥赛亚国度。当神最终的审判临到不信的列国,而信神的以色列人从敌人手中获救时,弥赛亚的国度便告开始。
耶和华的日子始于何时,有许多不同的看法。最普遍的是下列三种:
(a)在圣徒被提,大灾难开始时。
(b)在圣徒被提后不久,大灾难之中。
(c)基督在哈米吉多顿大战中打败他的敌人后,便再次降临(大灾难以后基督再临)(参启16:16)。
你也许想自己找出答案,请参考注释书。
二、约珥书综览
请用十分钟把约珥书三章经文一口气读完。读后你对整卷书有什么印象?看到有什么重要的字句吗?
读时请参照图表27.3,并了解图表27.3中为什么这样分段和命题。
① 本卷书的引言是第1节。书末是否有类似的结语呢?
② 本卷书可分成两大段(1:2-2:11,2:28-3:21),两段之间有一段劝勉的话(2:12-27)。约珥在书中的哪些经文里说到基督以后(公元)的世代?
③ 注意图表27.3中的次序:
蝗虫——耶和华的军旅——异象——战争——复兴。
请翻阅这几段经文,看看这大纲是如何划分。
④ 请硏究基线下的大纲,并说明书中的主题是否有进展。
⑤“耶和华的日子”在书中共出现五次,它们在哪些经文中出现呢?
⑥ 2章30节至3章21节可分成两部分,这两部分提到“耶和华的日子”哪两个方面?
⑦ 比对本卷书的起头(“现在”)与终结(“那时”)。
⑧ 请翻看钥节经文,留意图表27.3中的钥字。将你硏读经文时看见的钥字也加上去。

三、约珥书应用
① 神的审判是否为了惩罚?
② 神“有绝对的主权施行审判”是什么意思?人的悔改能改变神审判的宣告吗?回答时请参耶利米书18章7-10节。什么时候神的审判无法挽回?
③ “我要补还你们”(2:25)。神仍做补还的工作吗?请举例说明。
④ 自约珥之后,以色列人怎样受到外邦人迫害?是谁在历世以来保存信靠神的以色列余民?
⑤ 思想约珥书的属灵教训。
四、选读书目
1. 中文书籍
史祈生:《先知书的作者》(宣道出版社代理)
陈大卫:《荒芜与拯救》(证道出版社)
Albright, W. F., et al:《圣经考释大全:旧约论丛》(基督教文艺出版社)
Baxter, J. S.:《圣经硏究》(种籽出版社)
Cole, Alan:《圣经探索——小先知书注释》(证道出版社)
Davidson, F., et al:《证主21世纪圣经新释》(证道出版社)
Freeman, H. E.:《旧约先知书》(中华福音神学院)
Freeman, H. E., et al:《约拿书/那鸿书》(人人圣经注释)(宣道出版社)
2. 英文书籍
(1)导论
Archer, Gleason L. A Survey of Old Testament Introduction, pp. 291-95.(中文译本为《旧约概论》,种籽出版社。)
Cole, R. A. “Joel”, in The New Bible Commentary, pp. 716-17.(中文译本为《证主21世纪圣经新释》,证道出版社。)
Freeman, Hobart E. An Introduction to the Old Testament Prophets, pp. 145-56.(中文译本为《旧约先知书》,中华福音神学院。)
Graybill, John B. “Joel” in The Zondervan Pictorial Bible Dictionary.
(2)注释
Deere, Derward. “Joel” in The Wycliffe Bible Commentary.(中文译本为《威克里夫圣经注释》,种籽出版社。)
Gaebelein, A. C. The Prophet Joel.
Schmoller, Otto. “Joel” in Lange’s Commentary on the Holy Scriptures.
Smith, Ward, and Smith, Bewer. Joel, International Critical Commentary.
第四节 弥迦书:谁像耶和华?
弥迦书最引人注意的是它的预言。例如弥迦预言耶稣将要生于伯利恒(弥5:2;参太2:5)。据霍巴特·弗里曼(Hobart E. Freeman)研究所得,弥迦书预言以色列的未来、弥赛亚的降临及弥赛亚的国度,比其他旧约先知书多。[12]
一、弥迦书背景
1. 弥迦
(1)名字
弥迦的意思是“耶和华像谁?”或是“谁像耶和华?”请读7章18节上半节。先知提笔写这句话时是否也在想起自己的名字呢?
(2)家乡
弥迦的家乡是摩利设迦特(1:1、14),约在耶路撒冷西南三十二公里(参地图27.1)。摩利设迦特的意思是“迦特的产业”。可见此镇是邻近迦特的属土。从埃及通往耶路撒冷的繁喧大道穿过这镇,所以“乡巴小子”弥迦离同时代先知以赛亚的居住地并不很远。
(3)同时代的人
请看图表20.3,了解与弥迦同期的有什么人(君王、先知),然后根据这个图表回答下列问题。
①弥迦约在哪些年间任先知?
② 与弥迦同期的先知是哪两位?
③ 弥迦预言时,谁作犹大王?
④ 在弥迦任先知的中期,北国以色列遭到什么灾难?
⑤ 读弥迦书1章5-7节。(撒玛利亚是以色列的京城,正如耶路撒冷是犹大的京城。)这几节经文是写于公元前722年亚述攻陷撒玛利亚城之前还是之后?
(4)先知的职事
弥迦的信息虽然也提到以色列(1:1,3:8),但他主要是作犹大的先知。他对这一呼召十分清楚(3:8)。他指斥各样的罪恶:道德腐败、拜偶像(1:7,6:16)、虚有其表的宗教、假先知与祭司滥用职权,作奸犯科(3:5-7、11)。那时,社会腐败,官长与富户欺压穷人(2:2,3:1-3),政局动荡,人心惶惶,更有外患之忧(参赛7-12章)。
(5)政治形势
弥迦书的政治形势可参考列王纪下15章17节至20章21节和历代志下26至30章(历代志为南国历史)。读时请参图表20.3,留意列王登位的时期。
乌西亚王是贤明的君主,可是到了晚年,他竟远离神(代下26:16-23)。他儿子约坦继位,“行耶和华眼中看为正的事”(代下27:2)。他虽然没有领导百姓悔改归正,但显然也支持弥迦的属灵计划;可是他去世以后,他的儿子亚哈斯登位,情况便大大转变。
约坦在位之时,亚兰与以色列结盟攻打犹大的先兆已经在当时的政治舞台上呈现出来(参王下15:37)。亚哈斯作犹大王以后,他不但不去检讨和纠正国民的罪,反省神的管教,反倒与亚述王提革拉毗列色结盟——到了他儿子希西家在位时,这个盟约几乎导致全国覆亡。亚哈斯又把拜偶像的罪带回国中,甚至把神的圣坛搁置一旁,以丘坛取而代之(参代下28:22-25)。
希西家继亚哈斯之后作王,在国家的管理上尊神为圣。但是他的良好榜样和领导,只能激发百姓稍有顺服。虽然他重整圣殿敬拜,但百姓仍旧犯罪作恶——拜偶像、贪婪、不洁、不义、欺压等等。先知必然大声疾呼,直斥他们的罪。弥迦和以赛亚就在这时作神的代言人。
2. 弥迦书
我们从弥迦书的内容和风格可以看到弥迦是一位很有恩赐、知识广博的神仆。我们现在看看这卷书的特色。
(1)写作日期
这卷书大概写于亚述攻取大马士革以后(公元前734至公元前732年间;参王下16:5-9;赛7-10章),未攻陷撒玛利亚以前(公元前722年;参王下17章)。
(2)主题
贯穿弥迦整卷书的重点主题是神要审判犹大国的罪,但依然给他们留下赦罪的恩典。这信息表明了罗马书11章22节所说有关神的两种属性:神的恩慈和严厉。
(3)现已经应验的预言
弥迦书的预言已经有六个成为历史。
① 撒玛利亚陷落(公元前722年;1:6-7)
② 西拿基立攻取犹大(公元前702至公元前701年;1:9-16)
③ 耶路撒冷失陷(公元前586年;3:12,7:13)
④ 被掳巴比伦(公元前586年;4:10)
⑤ 从被掳地归回(约公元前520年;4:1-8、13,7:11、14-17)
⑥ 有一君生于伯利恒(5:2)
(4)文学体裁
弥迦书笔法栩栩如生,有明显的对比(如3:9-12与4:1-5)和问话(1:5,2:7,4:9,6:3、7、10、11,7:10、18)。请比较书中第一个问题(1:5)与最后一个问题(7:18)。
(5)圣经其他书卷的引用
圣经其他经卷共引用过弥迦书三次,每次都是重要的,请读下列经文。
① 犹大长老(耶26:18)引弥迦的话(弥3:12);
② 文士(太2:5-6)引弥迦的话(弥5:2);
③ 耶稣(太10:35-36)引弥迦的话(弥7:6)。
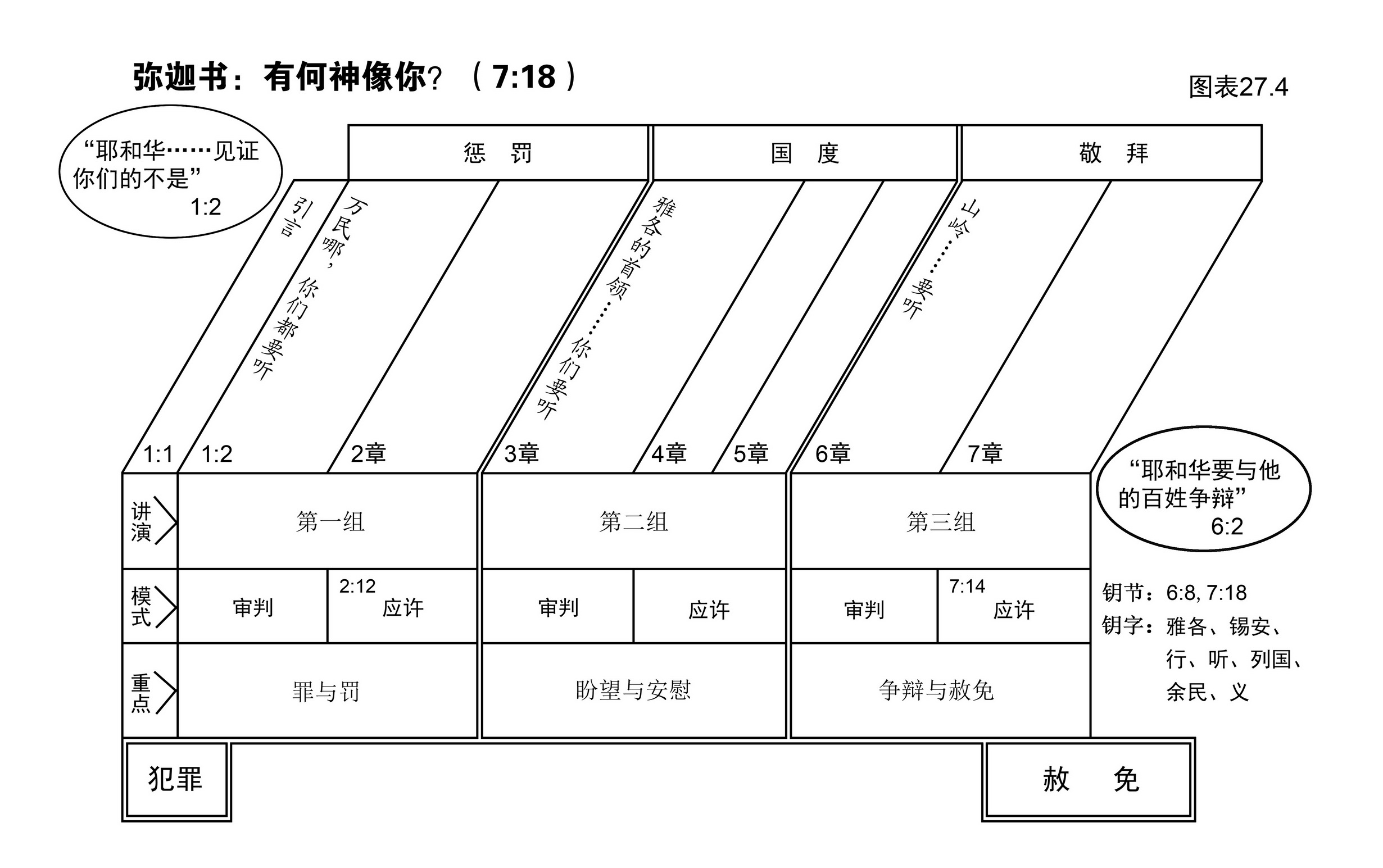
二、弥迦书综览
① 请先读弥迦书的七章经文一遍。
② 请再读一遍,读的时候留意经文中的钥字钥节。譬如你有没有看到某些词语重复出现?1章2节、3章1节及6章1节用的相同字句是什么?各节的对象是谁?
③ 请读弥迦书第1节“得耶和华的默示”是什么意思?按此节经文看,弥迦的“默示”是关乎什么是?
④ 请比较本卷书首尾经文,如1章6节与6章2节。
⑤ 请逐章读,并将各章内容写下来。哪几章常常提到惩罚,哪几章提及应许?
⑥ 请读6章8节与7章18节。为什么会以它们为这卷书的钥节?
⑦ 请参考图表27.4,留意这卷书可分成三个信息,[13]注意每段都以“要听”开始。
⑧ 在图表27.4中,把全卷书分成三大段,是哪三大段?如何从这几段看到弥迦书在主题上的进展?请将图表27.4的大纲和你所认为的弥迦书结构做个比较。
⑨ 这三段中重复出现了什么格式?请在圣经上做个记号,然后翻阅经文,以证实这个方法无误。
⑩ 请留意书中的钥字,把你自己所看到的钥字也写下来。

三、弥迦书应用
① 以色列的领袖“当知道公平”(3:1,TLB英文译本为“善恶”),今日的基督徒领袖对别人的生活行为也有责任吗?如果有,是什么责任?
② 哪些邪恶动机可以败坏今日圣工人员的侍奉?(参3:11)
③ 主祷文中有“愿你的国降临”(太6:10),这句话是什么意思?请将这句话与弥迦书4章8节做比较。
④ 为什么神要选微不足道的小城伯利恒为耶稣出生之地?神是否想以此证明弥赛亚真正的身份以及他做事的方式?
⑤ 耶路撒冷在末后将要成为重要的地方,为什么?这座城目前的地位如何?
⑥ 神是否对所有人都有要求?(6:8)
⑦ 何谓真正悔改,这与众人回转有何关系?
⑧ 祷告的效验是否在乎你相信神必垂听你的祈祷(7:7)?
⑨ 自从你成为基督徒以来,神怎样作过你的“亮光”(7:8)?你有机会与人分享这见证吗?
⑩“将我们的一切罪投于深海”(7:19),这句话对你有何意义?你认为这句话是指神轻忽罪吗?还是说他不会施行审判和惩罚?基督为什么要死?他死在十架上承担了谁的罪?
⑪请将弥迦书6章8节与新约圣经有关救恩的教训做个比较(如:罗3:21-5:21)。
四、选读书目
1. 中文书籍
史祈生:《先知书的作者》(宣道出版社代理)
Albright, W. F., et al:《圣经考释大全:旧约论丛》(基督教文艺出版社)
Baxter, J. S.:《圣经研究》(种籽出版社)
Cole, Alan:《圣经探索——小先知书注释》(证道出版社)
Davidson, F., et al:《证主21世纪圣经新释》(证道出版社)
Freeman, H. E.:《旧约先知书》(中华福音神学院)
2. 英文书籍
(1)导论
Baxter, J. Sidlow. Explore the Book, 4:187-94.(中文译本为《圣经硏究》,种籽出版社。)
Ellison, H. L. The Old Testament Prophets, pp. 63-66.
Freeman, Hobart E. An Introduction to the Old Testament Prophets, pp. 215-24.(中文译本为《旧约先知书》,中华福音神学院。)
Kelso, James L. Archaeology and the Ancient Testament, pp. 169-73.
(2)注释
Archer, Gleason L. “Micah” in The New Bible Commentary.(中文译本为《证主21世纪圣经新释》,证道出版社。)
Carlson, E. Leslie. “Micah” in The Wycliffe Bible Commentary.(中文译本为《威克里夫圣经注释》,种籽出版社。)
Kleinert, Paul. “Micah” in Lange’s Commentary on the Holy Scriptures.
Smith, George Adam. The Book of the Twelve Prophets, vol. 1.
第五节 那鸿书:祸哉尼尼微!
约拿往尼尼微传道一百年后,神又差另一位先知那鸿宣判尼尼微的灾难。从那鸿书中,我们看到“权势就是公正”这句话是何等荒谬。尼尼微是亚述帝国的京都,亚述自夸财雄势大,却不知道自己罪恶满盈,又不听神的话。如此狂傲之国,必然败亡,正如那鸿书所说的。
一、那鸿书背景
1. 那鸿
那鸿生平不详。圣经其他地方也没有提过他(除非他与路加福音3章25节的“拿鸿”是同一人)。
(1)名字
“那鸿”是尼希米的简称,意即“安慰”或“安慰者”。
(2)家乡
据那鸿书1章1节,那鸿是伊勒歌斯人。伊勒歌斯的位置,有下列四个推测:
① 位于亚述境内,尼尼微之北;
② 耶路撒冷的西南;
③ 加利利境内;
④ 迦百农遗址。
不管他的家乡在哪里,我们该记得那鸿出生时,[14]亚述军曾经两次进攻巴勒斯坦:
(a)公元前722年——撒耳根二世攻陷北国以色列(王下17:6)
(b)公元前701年——西拿基立进侵犹大(王下18:13-18)
(3)同时期的人
图表27.5列出那鸿时代的国君。请参照这个图表答复下列问题。
① 在那鸿侍奉的时代,犹大国先后出了三位君主。这三人是谁?哪一位是明君?(参图表27.1)
② 那鸿的时代,最强大的是哪一帝国?
③ 那鸿侍奉的初期,亚述国由哪一位君主当政?
④ 尼尼微于何时失陷?继亚述而兴的强国是哪一国?
⑤ 与那鸿同时代的先知还有哪几位?

(4)帝王与城邑
与那鸿书有关的国君和城邑需要注意的有下列几个。
① 亚述王巴尼拔王(King Ashurbanipal)是最后一位声名显赫的亚述王。他死后,亚述转趋末落(公元前633年)。亚述巴尼拔王残暴不仁,将俘虏活生生地剥皮,强迫王子把国王血淋淋的头挂在颈上,又把迦勒底王的头悬挂起来,设宴欢庆。这些都是他残暴手段的点滴。
② 约西亚王(King Josiah)敬畏耶和华。参列王纪下22章1节至23章28节。那鸿大约在约西亚当政的时代写这卷书。
③ 底比斯(Thebes)就是埃及城挪亚们(希伯来名称)的希腊名称(参3:8),是埃及的京都,公元前663年被亚述攻陷;那鸿在3章10节说及这座城失陷的事。
④ 尼尼微是亚述首都,约建于公元前2000年。在那鸿的时代,这座城的财富、权力和声望已臻高峰(参3:16-17)。人们以为它的城墙坚不可摧,然而那鸿却预言这座城将失陷(参2:5-6)。公元前621年,巴比伦、玛代和西古提人攻陷尼尼微,拆毁这座城,使它千百年来都成为废墟。
请重温先知约拿的事迹(参图表26.1)。他是以色列的先知,神差他往尼尼微去传道。那鸿是犹大的先知,但他也到尼尼微传道(参拿1:1-2,3:1-10)。约拿传的是什么信息?人们有何反应?神又怎样?他有指出尼尼微将会怎样灭亡吗?约拿说“尼尼微人信服神”。但到了那鸿的时代,这些信了的人是否被时光更替了?
2. 那鸿书
(1)写作日期
那鸿书约写于公元前663至公元前612年之间。这是根据书中提到底比斯城失陷(公元前663年),并且预言尼尼微将要覆亡(公元前612年;参2:8-10)而推断出来的。从图表27.5可以看到,那鸿公开传道的时间,约为公元前650至公元前620年。
(2)主题与目的
那鸿书的主题可简述为:掌管一切、至善至圣的神必会惩罚罪恶满盈的尼尼微,存留正直的犹大。这卷书第一句即提到尼尼微(1:1),整卷书内容也以尼尼微为主。而先知预言的对象主要是尼尼微,因此可以说是约拿书的续篇。
那鸿写这卷书时也顾及犹大的人,书中清楚地回答了他的同胞所提出的问题,例如:
(a)暴虐的尼尼微为何富强?
(b)神是否放弃了犹大?
(c)公平何在?
这些也是今天我们要问的问题吗?
二、那鸿书综览
① 请读那鸿书1章1节。这句话如何引入那鸿所传的信息?请继续读完整卷书,并感受先知心中的负担。
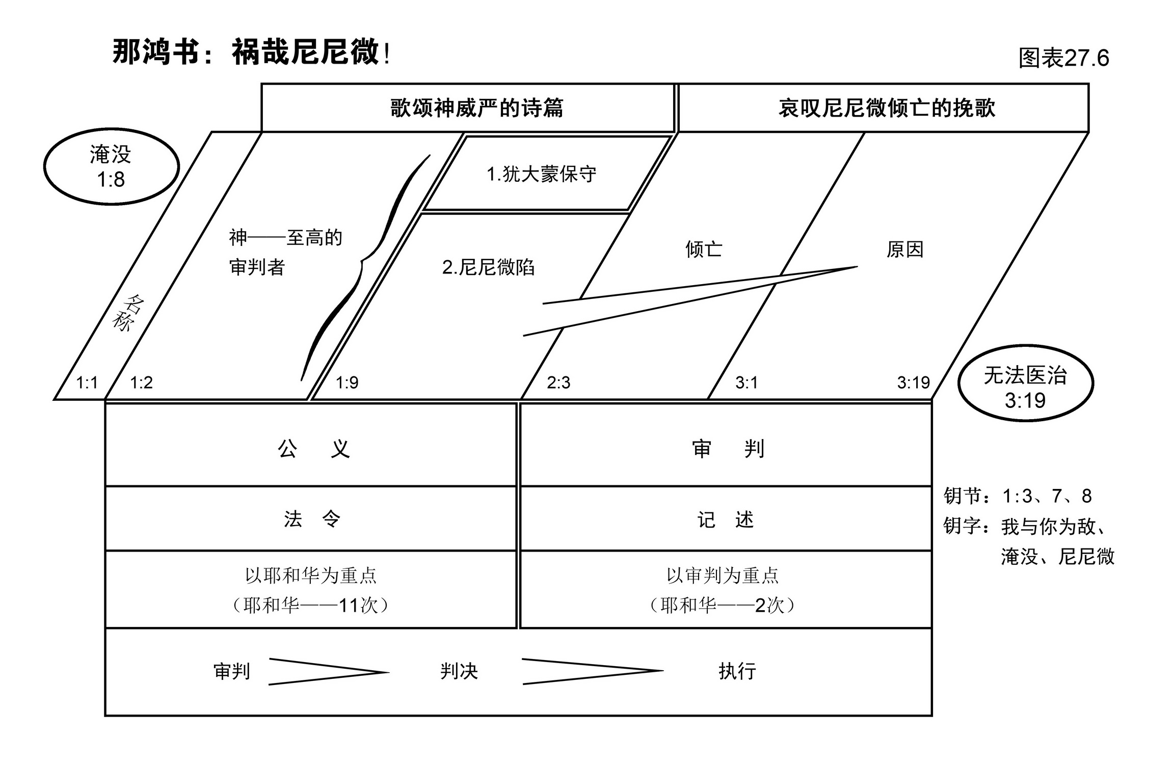
② 请根据下列大纲追索那鸿书的思路。
(a)具有绝对权柄的审刿者:神(1:2-8)这段怎样描写神?
(b)尼尼微将要倾覆,犹大要蒙保守(1:9-2:1)。
那鸿书在这里交替谈论“审判”和“拯救”这两个题目,请留意他怎样说到犹大和尼尼微:
·1章9-12节上:尼尼微
·1章12下-13节:[15]犹大
·1章14节:尼尼微
·1章15节:犹大
·2章1节:尼尼微[16]
·2章2节:犹大
(c)倾覆(2:3-13)。
(d)原因(3:1-19)。
③ 请参图表27.6,试了解该图表如何把经文分段。
④ 请留意图表27.6中的下列各项。
(a)这卷书发展得相当自然。(请参图表最后一行,并请留意从“尼尼微陷”起的三个分段有什么进展)
(b)第一段(1:1-8)如何与书中的其他信息区别?
(c)图表27.6中有四个大纲将整卷书分成两个主要部分,请看这四个大纲。
(d)这卷书如何引入犹大?
(e)请将你发现的钥字加入表中。
(f)请读钥节。这些经文如何点出书中的主题?

三、那鸿书应用
① 那鸿书表明神什么属性?
② 义怒在基督徒的生活中应占有什么位置?你对以下的一番说话有何感想。
即使在恩典彰显的时代,那鸿书仍是需要的。与其把这卷书从圣经抽出来,不如把它保留下来。我们需要这卷书。它提醒我们:缺少了义怒作平衡,慈爱很容易变质,沦为姑息。一个真正的义人是会发怒的,因为他爱神也爱人,所以他鄙视恨恶罪恶和残暴不仁。义人有时也会发出那鸿那样的预言。[17]
③ 福音与敌人倾亡的消息有何关系?(1:15;罗10:15)
四、选读书目
1. 中文书籍
史祈生:《先知书的作者》(宣道出版社代理)
Albright, W. F., et al:《圣经考释大全:旧约论丛》(基督教文艺出版社)
Banks, W. L. & Freeman, H. E.:《约拿书/那鸿书》(人人圣经注释)(宣道出版社)
Baxter, J. S.:《圣经硏究》(种籽出版社)
Cole, Alan:《圣经探索——小先知书注释》(证道出版社)
Davidson, F., et al:《证主21世纪圣经新释》(证道出版社)
Freeman, H. E.:《旧约先知书》(中华福音神学院)
2. 英文书籍
(1)导论
Eiselen, F. C. “Nahum” in The International Standard Bible Encyclopedia, 4:2109-11.
Ellison, H. L. The Old Testament Prophets, pp. 70-72.
Freeman, Hobart E. An Introduction to the Old Testament Prophets, pp. 225-31.(中文译本为《旧约先知书》,中华福音神学院。)
Smith, George Adam. The Book of the Twelve Prophets, 2:77-113.
(2)注释
Ellicott, Charles J., ed. Commentary on the Whole Bible, vol. 5.
Feinberg, Charles L. “Nahum” in The Wycliffe Bible Commentary.(中文译本为《威克里夫圣经注释》,种籽出版社。)
Fraser, A. “Nahum” in The New Bible Commentary.(中文译本为《证主21世纪圣经新释》,证道出版社。)
Maier, Walter A. The Book of Nahum, a Commentary.
第六节 西番雅书:荒凉和拯救之日
犹大亡国以前尚有几位先知,西番雅就是其中一位。他侍奉期间,正值犹大王约西亚在位。约西亚是南国最后一位明君,他尝试复兴犹大人的灵性,但犹大人拒绝从神而来的光照,以致他们的历史写上黑暗的一页。
一、西番雅书背景
硏读之前,请先把西番雅书(共三章)略读一遍,综览时便不会对这卷书感到陌生。
首先请参考图表1.4,了解西番雅书在旧约众先知书中所占的位置,然后再按照历史背景硏究本卷书的写作背景。图表27.7已经列出它过往的历史背景,以及有关将来的异象。
注意图表27.7中有八个要点,这些要点是按时序排列的。硏读下列各点时,请参考这个图表。
(1)希西家王
希西家是犹大明君。如果西番雅书1章1节的希西家就是他,那么他就是西番雅的先祖,而西番雅就是唯一有王室血统的先知。
(2)西番雅
如果西番雅的年龄与约西亚相仿,那么他大约生于公元前648年(参王下22:1),适逢昏君玛拿西当政。西番雅的意思是“蒙耶和华隐藏保守”,他的父母是否因为他得免于玛拿西的暴行(王下21:6;参来11:37)幸存性命,在感恩之余给他改了这名字?有趣的是西番雅的信息很注重神在审判之日保守犹大(2:3)。
西番雅可能住在耶路撒冷,他侍奉的时期大约是公元前636至公元前623年。
(3)约西亚王
约西亚是希西家的曾孙(参代下32:33,33:20、25)。西番雅与约西亚有何关系?约西亚任犹大王时,年仅八岁(参代下34:1);十六岁时,“就寻求他祖大卫的神”(代下34:3)。西番雅就在约西亚进出王宫时对他证道,也许在约西亚少年时代,西番雅最能影响他的灵命。
(4)西番雅书写作日期
西番雅书约写于公元前627年。由于书中没有提到约西亚在公元前622年的改革,所以推测是写于约西亚在位初期。(例如1章3-6节指责他们拜偶像,这在约西亚的改革中革除了。)
(5)约西亚的改革
约西亚二十岁时便倡导为期六年的全国改革(参代下34:3),并在公元前622年完成改革(参代下34:8)。请读历代志下34至35章或列王纪下22至33章。西番雅在书中斥责的罪都是约西亚王所痛心的罪。
(6)耶路撒冷失陷
西番雅预言耶路撒冷受罚,大约过了半个世纪,耶路撒冷方才陷落(公元前586年)。但这只是第一次,西番雅的预言还包括耶路撒冷在末世以前的多次失陷。(这是旧约圣经常见的预言)
(7)复国
西番雅也预言神的选民将要复国。这预言至少已经象征性的应验了,就是神带领选民从被掳地巴比伦返国(公元前536年);但将来还要更彻底地应验。(这是多次应验的预言)
(8)末后的“耶和华的日子”
“耶和华的日子”是末后施行审判之日,接着就是弥赛亚国度降临(千禧年)。那时,复国的预言就要完完全全、堂堂皇皇地应验。还记得约珥书的主题就是“耶和华的日子”吗?
综览本卷书前,切要熟悉以上各点。

二、西番雅书综览
① 首先,在圣经里划出以下的分段:1章1、2、7、14节,2章1、4、8、12节,3章1、8、14节。
② 读者已经略读整卷书三章的内容。现在拿起笔来,把整卷重读一两遍。读的时候划下重要的字句,看看书中有哪些重要的句子重复出现。
③ 西番雅书主要的信息是什么?请比较开首(1:2-6)与结尾(3:14-20)的经文。

④ 请参照图表27.8及下列方法硏读这书。请读有关经文。试从圣经了解图表27.8的大纲为什么这样划分。
⑤ 这书第1节有何功用(1:1)?
⑥ 从图表27.8可以看出这卷书分成几个大段?请在圣经中划下从2章4节及3章8节起的分段。
⑦ 图表27.8的标题是西番雅书的主调。请读图表中列出的两句钥节。哪两个大纲特别提到耶和华的日子?书中怎样说及这日子?(“耶和华的日子”中的“日子”并不是指一日24小时之日,而是一段长时间,也许是几个星期、几个月,甚至几年。)
⑧ 预言中有多少与犹大相关?有多少与外邦列国相关?
⑨ 促使西番雅书的“拯救之日”应验的是什么因素?请留意2章1-3节在图表27.8中的作用。
⑩ 请将你对第⑨题的答案与今日罪人蒙恩的条件做个比较。
⑪ 请从3章1节和3章6节起,读这两个小段。
⑫ 留意图表27.8中两个相对的句子,一句出于书的起头,一句出于书的结尾。下列则是相反的信息,请翻阅经文:
(a)审判:1章14-18节
(b)复兴:3章14-17节
⑬ 请留意图表27.8中的钥字,将你读经时找出的钥字也添加进来。
三、西番雅书应用
① 读圣经的时候,为什么必须知道这卷书是神无误的启示?你相信西番雅书的预言是绝对准确的吗?
② 在今天,1章1节至3章7节可应用于哪一方面?这段经文说到神与人之间关系的哪些教训?
③ 你对罪有何定义?请将“得罪神”(1:17)这句话与约翰一书3章4节做比较。
④ 因罪而招致如西番雅书那样的重罚(1:17)是公平的吗?
⑤ 3章1-5节提到哪些五花八门的罪?这些罪在今天普遍吗?
⑥ 罪人会顽梗悖逆到无法得救的地步吗?人在今生有所谓“转不过来”的属灵光景吗?
⑦ 你如何把1章2-6节与2章1-3节的预言应用在末世中?
⑧ 对某些人来说,“耶和华的日子”是受罚的日子;而对另一些人来说,却是拯救的日子。请参看诗篇76篇9节。
⑨ 请读彼得后书3章1-18节。留意“耶和华的日子”出现的次数。基督徒可从耶和华的日子中学到什么功课?
⑩ 耶和华在百姓的“中间”是什么意思(参3:5、15、17)?信徒如何感到耶和华的同在?为什么神的同在是那么重要?
⑪ 神对选民以色列人所说的第一番话,记载在创世记12章1-3节。请读这几节经文。西番雅书3章8-20节有哪些预言完全应验了创世记这段经文的话?
⑫ 将西番雅书3章8-20节与罗马书11章25-28节保罗的预言连起来,看看以色列人在末时将有哪些遭遇。
⑬ 请思想3章15节下半节的重要真理:“你必不再惧怕灾祸。”这应许什么时候会实现?请将这预言与新耶路撒冷的预言(启2:1-21:5)做比较。
⑭ 旧约先知的预言侧重末时弥赛亚的国度,较少提到耶稣生平。你能想到是什么原因吗?
⑮ 你是否认为神可能会在现今的世代兴起“先知”来扭转一个国家的命运,正如神使用西番雅影响约西亚王和犹大国一样?
四、选读书目
1. 中文书籍
史祈生:《先知书的作者》(宣道出版社代理)
江守道:《神说话了——旧约各卷精华》(卷七)(活道出版社)
Albright, W. F., et al:《圣经考释大全:旧约论丛》(基督教文艺出版社)
Baxter, J. S.:《圣经硏究》(种籽出版社)
Cole, Alan:《圣经探索——小先知书注释》(证道出版社)
David son, F., et al:《证主21世纪圣经新释》(证道出版社)
Freeman, H. E.:《旧约先知书》(中华福音神学院)
2. 英文书籍
(1)导论
Archer, Gleason L. A Survey of Old Testament Introduction, pp. 342-43.(中文译本为《旧约概论》,种籽出版社。)
Ellison, H. L. The Old Testament Prophets, pp. 67-69.
Freeman, Hobart E. An Introduction to the Old Testament Prophets, pp. 232-36.(中文译本为《旧约先知书》,中华福音神学院。)
Smith, George Adam. The Book of the Twelve Prophets, 2:35-76.
(2)注释
Carson, John T. “Zephaniah” in The New Bible Commentary.(中文译本为《证主21世纪圣经新释》,证道出版社。)
Hanke, H. A. “Zephaniah” in The Wycliffe Bible Commentary.(中文译本为《威克里夫圣经注释》,种籽出版社。)
Jamieson, Robert; Fausset, A. R.; and Brown, David. A Commentary, Critical and Explanatory on the Old and New Testaments.
Laetsch, Theodore. “Zephaniah” in Bible Commentary, The Minor Prophets.
第七节 哈巴谷书:义人必因信得生
哈巴谷是犹大最后一位小先知,又被称为“重要的小先知”。史诺•巴斯特(J. Sidlow Baxter)说:“哈巴谷执笔为文的时候,犹大国王朝维持的时间只剩下二、三十年。也许哈巴谷是第一个蒙神启示,知道国难已迫在眉睫的人。”[18]
―、哈巴谷书背景
1. 哈巴谷
我们对哈巴谷所知不多,而且都是从他的短篇作品中获知的。哈巴谷的意思是“拥抱者”。[19]路德(Luther)提及这点时说:
“哈巴谷”这个名字与他的职位相称。他名字的意思是鼓励者,或把别人拥在胸前,围在臂中,犹如安抚一个正在哭泣的可怜孩子。[20]
1章1节说哈巴谷是先知。有人以为他是利未人,在圣殿的诗班任职,[21]原因是3章19节及书末都提及乐谱乐器:“这歌交与伶长,用丝弦的乐器。”1章6节暗示北国以色列已经被亚述倾覆,如今迦勒底人(巴比伦人)正威胁着犹大。故此,哈巴谷应该是犹大的先知。
2. 哈巴谷任先知的时间
请参图表27.5。哈巴谷与耶利米是同时期的人。哈巴谷何时出任先知、何时写书,许多人都有不同看法,原因是圣经没有直接提到。图表27.9举出几个可能的日期。其中三个相当有力,就是图表中的ⓐ、ⓑ、ⓒ三个日期。
ⓐ——约西亚改革以后(公元前622年);巴比伦(迦勒底)崛起,成为具威胁性的强国以前(公元前612年)。
ⓑ或ⓒ——巴比伦兴起,成为具威胁性的强国以后(公元前612年、公元前605年)。这两个时代,以ⓑ较为可取。
哈巴谷任先知的时期,犹大国正陷于灵性低落的光景(参1:2-4)。约西亚改革之后不过十年,先知就斥责国家腐败,可见改革的果效十分短暂。从图表27.5可以看到,犹大亡国前的三位君主都昏庸败坏,历代志下36章14-16节便记载了在巴比伦人征服犹大之前人心的光景。请再读耶利米书10章,看看犹大当时拜偶像的罪是何等严重。(耶利米与哈巴谷同期,是犹大亡于巴比伦以前最后的先知。)

3. 哈巴谷书
(1)信息
哈巴谷的重要教训有以下一些。
① 罪恶不能得胜。
② 神没有轻忽罪。
③ 义人因信得生。
④ 耶和华是宇宙的神,凡耐性等候他旨意显明的人有福了。
⑤ 神愿他的子民与他交谈。
(2)特色
哈巴谷书的特色有以下一些。
① 它与约拿书一样,开始的时候先知十分困扰烦恼,结尾时获得神的开启。
② 在书中,作者与神的对话占了一大半(约三分二)。
③ 这卷书的钥节是2章4节,在新约圣经三段重要的经文中引用了这节经文。请参罗马书1章17节、加拉太书3章11节和希伯来书10章38节。这节经文的真理是公元16世纪改教运动的主调。故此,哈巴谷又被称为改教之父。
④ 哈巴谷书是十分优美的希伯来文学作品。昂格尔(Unger)评论这卷书第3章有下述的话。
第3章的华丽诗文,是描写主降临时“神的显现”的绝佳作品。这是圣灵的启示,将要在耶和华的日子应验(参帖后1:7-10)。[22]
二、哈巴谷书综览
① 请把哈巴谷书(共三章)读两遍,看看有哪些重要的字句。
② 请比对1章1节和3章1节,然后再比对1章2节和3章18-19节。你能看到什么?
③ 请细看图表27.10,以下的问题与提示都根据这图表。
(a)请将经文逐段细看,然后逐段加上标题。
(b)哈巴谷的话占本卷书多少篇幅?神的话又占多少?
(c)请留意这卷书的三段大纲对哈巴谷先知的态度改变的说明。
(d)请留意图表27.10上面第一行的三段分法,并比对这三段的引言。
(e)为什么最后一章是这卷书的巅峰?
(f)留意钥字。并请细读钥节的经文,读的时候把你找到的钥字钥节也一并列出。

三、哈巴谷书应用
① 神也听各类抱怨的话吗?神对哈巴谷的抱怨有哪些反击?
② 疑惑会带来哪些罪?
③ 圣经对于忍耐有哪些训诲?参罗马书5章3-5节。神为什么工作得这么缓慢呢?
④ 请比较加拉太书2章20节和哈巴谷书2章4节。
⑤ 信心至终的考验是什么?请将你的信心与哈巴谷受试验时的信心(3:17-19)做比较。
⑥ 请比较保罗与哈巴谷的信心。参考经文是腓立比书4章11-13节和哈巴谷书3章17-19节。
⑦ 拯救”在圣经中是十分重要的词语。你如何界定灵命上的拯救?请读哈巴谷书3章13、18节,“拯救”或“救”出现了三次,希伯来文是Yasha,是耶稣名字的原文。请再读马太福音1章21节,为什么耶稣是真正的救主?
四、选读书目
1. 中文书籍
史祈生:《先知书的作者》(宣道出版社代理)
Albright, W. F., et al:《圣经考释大全:旧约论丛》(基督教文艺出版社)
Baxter, J. S.:《圣经硏究》(种籽出版社)
Cole, Alan:《圣经探索——小先知书注释》(证道出版社)
Davidson, F., et al:《证主21世纪圣经新释》(证道出版社)
Freeman, H. E.:《旧约先知书》(中华福音神学院)
2. 英文书籍
(1)导论
Baxter, J. Sidlow. Explore the Book, 4:206-13.(中文译本为《圣经硏究》,种籽出版社。)
Freeman, Hobart E. An Introduction to the Old Testament Prophets, pp. 251-60.(中文译本为《旧约先知书》,中华福音神学院。)
Morgan, G. Campbell. Living Messages of the Books of the Bible, pp. 272-86.
Phillips, John. Exploring the Scriptures, pp. 153-55.
(2)注释
Davidson, A. B. Habakkuk, Cambridge Bible for Schools and Colleges.
Lloyd-Jones, D. Martin. From Fear to Faith.
Kerr, David W. “Habakkuk” in The Wycliffe Bible Commentary.(中文译本为《威克里夫圣经注释》,种籽出版社。)
[1] 大多数的日期是引自John C. Whitcomb, Chart of Kings and Prophets,参附录所列犹大诸王。
[2] 在英文圣经译本里,这个句子的另一写法是“Thou that dwellest in the clefts of Sela”(“居住在西拉的裂缝”,ASV)。
[3] 这是基于认为这书在较早期写成。本章稍后会再讨论这一点。
[4] 参Hobart E. Freeman, An Introduction to the Old Testament Prophets,pp. 140-41.(中文译本为《旧约先知书》,中华福音神学院)。看看作者为何赞成这个意见。很多圣经学者赞成第四个意见,把俄巴底亚列为犹大小先知中最后一位,与耶利米同期。有关资料,可参其他注释书。
[5] Clyde E. Harrington, “Edom”, The Zondervan Pictorial Bible Dictionary, p. 234.
[6] 一般先知都是以过去时态写预言的,目的是强调它必应验。
[7] R. A. Stewart, The New Bible Dictionary, p. 639.
[8] 耶利米被召作先知时,他已经是祭司(耶1:1)。
[9] 参有关注释书,看看它们对约珥书的写作日期有何见解。而赞成约琪书是早期写成的有Gleason L. Archer, A Survey of Old Testament Introduction,pp. 292-95(中文译本为《旧约概论》,种好出版社)及J. T. Carson, “Joel”, The New Bible Commentary, pp. 690-91(中文译本为《证主21世纪圣经新释》,证道出版社)。
[10] 在英文圣经里,Joash(约阿施)是Jehoash的简写,两个名字都在英文圣经中出现,代表同一个王。
[11] 约阿施与耶何耶大的故事载于列王纪下11至12章。请参考这些经文,看看约珥所处的环境是怎样的。
[12] Freeman, pp. 217.
[13] 许多圣经学者认为这卷书的分段应在4章1节,而不是3章1节。整卷书可分为两部分:1至3章是斥责,4至7章是安慰,就像以赛亚书,一分为二。所以,有人称弥迦书是“以赛亚书的速写”。
[14] 那鸿的出生日期不详,但一般相信他是在五十岁之前开始他的先知工作的。
[15] 1章12节下开始是:“我虽然使你受苦”。
[16] 当代圣经(The Living Bible)这样意译2章1节:“尼尼微,你灭亡了!你已被敌军围困!”
[17] Raymond Calkins, The Modern Message of the Minor Prophets, p. 86.
[18] J. Sidlow Baxter, Explore the Book, 4:208.(中文译本为《圣经硏究》,种籽出版社。)
[19] 请读下列经文,都是使用同一个希伯来词语(译作“抱”):列王纪下4章16节;约伯记24章8节;传道书3章5节;雅歌2章6节。
[20] Frank E. Gaebelein, Four Minor Prophets, p. 142.
[21] 比较历代志上25章1节。如果是这样的话,那么他的家乡是耶路撒冷。
[22] Merrill F. Unger, Unger’s Bible Handbook, p. 425.“神的显现”是神向人彰显他自己。